|
|
|
|
ARGC-2400
夜視主動距離選通相機
(The
ARGC-2400 NIGHT VISION CAMERA) |
|
|
 |
為 OBZERV 旗艦產品,
工程設計為符合海岸與邊界與重要建設資產保護長距離偵測的迫切需求,具有距離選通強化相機以作為夜間偵測;
兩個彩色感應器(NFOV窄視野與WFOV寬視野感應器)作為白天偵測,ARGC-2400
夜視主動距離選通相機獨特定位具有無與倫比的辨識執行能力。
-
人員可辨識距離 :8 km
-
車牌可辨讀距離 :1.5 km
-
車輛可分類距離
:10
km
-
救生衣偵測距離
:10 km
|
 |
|
The ARGC-2400 NIGHT
VISION CAMERA is
Obzerv’s flagship
product. It has been
engineered to meet
the stringent
requirements of
coastal & border
surveillance as well
as Critical
Infrastructures
protection. With a
range-gated
intensified camera
for night
surveillance and two
color sensors
(Narrow Field Of
View (NFOV) and Wide
Field Of View (WFOV))
for day operation,
the ARGC-2400 is
uniquely positioned
to provide unequaled
identification
performance.
The ARGC-2400 takes
advantage of a
series of
cutting-edge
technologies
developed by Obzerv.
Its key features
include: a patent
pending laser
illuminator
operating in the
near-infrared that
matches perfectly
the field of view, a
unique range-gated
Intensified Charge
Couple Device (ICCD)
camera incorporating
a highly sensitive
custom Gen III
intensifier tube and
an achromatic high
magnification
continuous zoom
telescope. Such
technology package
would not be
complete without
Obzerv’s friendly
and intuitive user
interface to control
the ARGC-2400 suite
of sensors. The
ARGC-2400 supplies
critical data in
real time and its
video stream can be
recorded for further
evidence or
analysis. |
|
應用
|
|
特點 |
優點 |
|
HIGHLY
SENSITIVE
NIGHT SENSOR
COUPLED WITH
A NEAR IR
LASER |
- Ultra-long
range
capability
- Cost
effective
deployment:
less cameras
to cover
large areas,
less
infrastructure
(towers,
telecom
network…),
less human
resources,
less
maintenance |
|
ACTIVE
RANGE-GATED
TECHNOLOGY |
- Read
markings
- Identify
individuals
- No
sensitivity
to external
light source
or intense
light in the
field of
view
- See
through
glass:
windshields,
wheelhouses,
etc.
- Perform in
harsh
weather
conditions
- Detect
pointed
optics
- Display
natural
contrasted
images |
|
HIGH
MAGNIFICATION
CONTINUOUS-ZOOM
TELESCOPE |
- High
magnification
up to 240 X
for 24/7
night-time
surveillance
and up to
320 X in
daytime |
|
ALL ENCLOSED
MULTI-SENSORS |
-
Day and
night
operation
capability (NFOV)
through the
same high
magnification
telescope
- ICCD in
passive or
active mode
depending on
the mission
- Facilitate
location of
targets with
the WFOV
color camera |
|
BORESIGHT OF
CAMERA
SENSORS |
- Ability to
switch from
WFOV color
camera to
NFOV color
camera, and
to active
mode while
keeping
track of
target |
|
COMMUNICATION
INTERFACES
TCP/IP,
RS-232 AND
RS-422 |
- Offers
flexibility
and easy
integration
with radars,
thermal
cameras,
Vessel
Traffic
Management
System (VTMS),
slew to
queue
capabilities
- Remote
control
- Video
broadcast |
|
IMAGE
ACQUISITION
AT VIDEO
RATE (25-30
FRAMES/SEC) |
-
Real time
video image,
no delay, no
loss of
evidences |
|
| |
|
ARGC-2400
產品規格 |
|
電動變焦望遠鏡
(MOTORIZED
ZOOM
TELESCOPE) |
|
Aperture |
240 mm |
|
距離選通ICCD相機
(夜間)
(RANGE-GATED
ICCD CAMERA
(NIGHT-TIME) ) |
|
Sensor type
Optical
magnification(1)
Field of
View (H x V)
Effective
picture
element |
Custom
variant of
Gen III
Intensifier
Tube
60 to 240 X
Min: 0.15° x
0.11° Max:
0.61° x
0.46°
PAL (CCIR):
782 x 582 px
NTSC (EIA):
659 x 494 px |
|
激光照明器(專利申請中)(LASER
ILLUMINATOR
(PATENT
PENDING)) |
|
Wavelength
Beam
divergence
Average
power
Average
power
control
Cooling
system |
860 nm
Slaved to
the zoom
telescope
FOV
> 4 W
User
selectable
Thermo-electrically
air cooled |
|
彩色相機(白天)(COLOR
CAMERAS
(DAYTIME) ) |
|
NFOV Optical
magnification(1)
NFOV (HxV)
WFOV (HxV)
NFOV Minimum
illumination
WFOV Minimum
illumination
Horizontal
resolution
Effective
picture
element |
78 to 312 X
Min: 0.12° x
0.09° Max:
0.46° x
0.34°
Min: 1.6° x
1.2° Max:
42° x 31.5°
1.5 lux
(typical) at
F1.4
2 lux
(typical) at
F1.6
PAL: 460 TV
lines NTSC:
470 TV lines
PAL: 752 x
582 px NTSC:
768 x 494 px |
|
影像
(VIDEO) |
|
Format |
PAL or NTSC |
|
環境
(ENVIRONMENTAL) |
|
IP rating
Operating
temperature
Storage
temperature |
IP-66
-31°C to
55°C
-20°C to
63°C |
|
物理和電氣
(PHYSICAL
AND
ELECTRICAL ) |
|
Weight
Dimensions
(L x W x H)
Power supply
Power
consumption
(without the
Pan & Tilt)
Power
consumption
(with the
Pan & Tilt) |
< 55 kg
56 x 52 x 37
cm
100 - 240
VAC, 47 to
63 Hz
< 350 W
< 900 W |
|
選項
(OPTIONS) |
|
Console/Display
terminal
Thermal
imager
(external)
Pan & Tilt
with
joystick
Electronic
image
stabilizer
Laser Range
Finder |
Touchscreen
19”, 1280 x
1024 px
Thermovision
3000 (FLIR)
FOX/P 720-ZE
(CONTROP)
Azimuth
range
continuous
360°
0.5 to 25 Hz
80 m to 20.5
km |
|
(1)Compared
to a SLR 35
mm camera
with a 50 mm
focal length
lens. |
|
| |
|
夜間性能 ( NIGHT-TIME
PERFORMANCES )
 |
| |
|
醒目的視頻圖像 ( STRIKING
VIDEO IMAGES ) |
|
 |
 |
|
 |
|
|
|
|
ARGC-2400 熱視儀(ARGC-2400
THERMOVISION) |
|
|
 |
為OBZERV
旗艦產品 ARGC-2400
夜視主動距離選通相機與
OBZERV
多種熱像儀之一獨特整合而成,所有相機一起安裝在相同的定位器(positionner)上,熱像儀(Thermal
Imager)以其偵測能力用來掃瞄地平線。
當一個目標物被偵測到時, 操作者可以用ARGC-2400
來分類與辨識此目標物。 |
 |
|
OVERVIEW
This new integrated
solution builds on
the unique
performance of
Obzerv's flagship
product the
ARGC-2400 and Flir's
ThermoVision
2000/3000 camera.
The cameras are
installed together
on the same post.
The ThermoVision
2000/3000 camera is
used for its
detection
capabilities to scan
the horizon. Once a
target is detected
the operator uses
the ARGC-2400 to
classify and
identify the target.
Obzerv's ARGC-2400/ThermoVision
solution in action
Using Thermal
Imaging capabilities
of the solution the
operator detects a
large ship cruising
off the coast at 20
km. The next step
for the operator is
to engage the
Range-Gating Imaging
function. Once
enabled, the
Ranged-Gating
capabilities are
allowing the
operator to
recognize the ship
at 20 km, read her
name at distance
less than 10 km and
even assess the
height of the
flotation line,
hence, becoming
fully empowered to
take the appropriate
decision and action.
Without the
appropriate
information, it is
impossible for an
operator to properly
assess a given
situation. Obzerv's
ARGC-2400/ThermoVision
integrated solution
is responding to the
challenge and
empowering operators
with time critical
information provided
by the unique
combination of
Thermal &
Ranged-Gating
Imaging. |
|
組件 (MODULES)
-
Obzerv's
ARGC-2400 camera
-
Flir's
ThermoVision
2000/3000
(multi-sensor
optional)
-
Motorized Pan &
Tilt
-
Eye safe laser
range finder
(optional)
-
Video motion
detection
software
(optional)
-
Geo-referencing
and mapping
interface
(optional)
|
|
特點 |
優點 |
|
Thermal
Imaging |
Extreme long
range
detection
and
excellent
image
quality,
even through
smoke and
dust (> 20
km) |
|
Laser
Range-Gated
Imaging |
Extreme long
range
Classification
(>15 km) and
Identification
(6 km) |
|
Real-time
operation in
total
darkness |
No need for
external
light source
or moonlight |
|
Performing
under
degraded
weather
conditions
(snow, fog,
rain) |
Strategic
Surveillance
advantage
for
Classification
and
Identification |
|
No
sensitivity
to external
light source |
No impact
for the
Classification
and
Identification
of targets
under direct
or indirect
light source |
|
See through
glass |
Strategic
Surveillance
advantage
for
Classification
and
Identification |
|
Detect
camouflage
nets |
Provides
location of
hidden
material |
|
Detection of
Pointed
Optics |
Detection of
binoculars,
gun sights,
retro-reflecting
stripes
(life vest),
eyes, etc.
hence
providing
decisive
Surveillance,
Classification
and
Identification
advantages |
|
Resistant to
laser
aggression
weapons |
Deployable
in hostile
locations |
|
Advanced GPS
based
geo-mapping
and target
positioning
(optional) |
Pinpoint
suspect
locations in
real time on
mapping
display |
|
Programmable
search
pattern
(optional) |
Reduces
operator
workload |
|
Video motion
detection
(optional) |
Reduces
operator
workload |
|
Eye safe
laser range
finder
(optional)
|
Acquire
precision
target range
and location
when
integrated
with mapping
software |
|
|
Value proposition
-
Reducing
infrastructure
costs
-
Reducing threat
assessment cost
-
Increasing
preparation time
to intervene
-
Improving
identification
of targets
-
Under harsh
weather
conditions
-
No
sensitivity
to
environment
lighting
-
Detection of
Pointed
Optics
-
Reducing
collateral
damages and
costs
|
|
 |
|
|
|
|
ARGC-750
夜視主動距離選通相機 (ARGC-750 NIGHT VISION CAMERA) |
|
|
 |
為重要建設資產周圍與邊界偵測的迫切需求特別工程設計之產品,本相機可以安裝為獨立系統,亦可與雷達, 船舶交通管理系統(VTMS)或熱像儀 同時整合至
ARGC-2400
夜視主動距離選通相機系統,此攜帶型相機可以達到 :
-
人員可辨識距離:3KM
-
車牌可變獨距離:500M
-
車輛可分類距離:4KM
|
 |
|
The ARGC-750 night
vision camera was
especially
engineered for
perimeter and border
surveillance. The
ARGC-750 can be
deployed as a
standalone system or
easily integrated
with radars, Vessel
Traffic Management
System (VTMS) or
thermal imagers.
This portable camera
allows human
identification at
distances up to 1 km
and license plate
reading up to 500 m.
Thanks to its
operation in the
nearinfrared, this
system also provides
the capability to
see through glass
where the thermal
imager is useless. |
|
應用
-
PERIMETER AND BORDER
SURVEILLANCE.
-
CRITICAL
INFRASTRUCTURE.
-
PROTECTION PORT
SECURITY .
-
SPECIAL
OPERATIONS
SURVEILLANCE.
|
|
特點 |
優點 |
|
PORTABLE |
- Fast
field
deployment
on tripod |
|
ACTIVE
RANGE-GATED
TECHNOLOGY |
- Read
markings
- Identify
individuals
- No
sensitivity
to external
light source
or intense
light in the
field of
view
- See
through
glass:
windshields,
wheelhouses,
etc.
- Perform in
harsh
weather
conditions
- Detect
pointed
optics
- Display
natural
contrasted
images |
|
NARROW-TO-WIDE
CONTINUOUS
ZOOM
TELESCOPE |
- Easy
target
tracking |
|
ALL ENCLOSED
MULTI-SENSORS |
- Day and
night
operation
capability (NFOV)
through the
same high
magnification
telescope
- ICCD in
passive or
active mode
depending on
the mission |
|
BORESIGHT OF
CAMERA
SENSORS |
-
Ability to
switch from
NFOV color
camera to
active mode
while
keeping
track of
target |
|
COMMUNICATION
INTERFACES
TC P/IP, RS
-232 AND RS
- 422 |
- Offers
flexibility
and easy
integration
with radars,
thermal
cameras,
VTMS, slew
to queue
capabilities
- Remote
control
- Video
broadcast |
|
IMAGE
ACQUISITION
AT VIDEO
RATE (25-30
FRAMES/S) |
- Real time
video image,
no delay, no
loss of
evidences |
|
OPTIONAL
INTEGRATED
THERMAL
IMAGE |
- Detection
capability
with an
uncooled
thermal
imager
inside the
same unique
enclosure |
|
|
|
|
ARGC-750
產品規格 |
|
電動變焦望遠鏡
(MOTORIZED
ZOOM
TELESCOPE) |
|
Aperture
|
104 mm |
|
距離選通ICCD相機
(夜間)
(RANGE-GATED
ICCD CAMERA
(NIGHT-TIME) ) |
|
Sensor type
Optical
magnification(1)
Field of
view (H x V)
Effective
picture
elements |
Custom
variant of
Gen III
Intensifier
Tube
4.5 to 73 X
Min: 0.5˚ x
0.37˚ Max:
8˚ x 6˚
PAL (CCIR):
782 x 582 px
NTSC (EIA):
659 x 494 px |
|
激光照明器(專利申請中)(
LASER
ILLUMINATOR
(PATENT
PENDING)) |
|
Wavelength
Beam
divergence
Average
power
(typical)
Average
power
control
Cooling
system |
860 nm
Slaved to
the zoom
telescope
FOV
> 4 W
User
selectable
Thermo-electrically
air-cooled |
|
彩色相機(白天)(COLOR
CAMERAS
(DAYTIME) ) |
|
NFOV Optical
Magnification(1)
NFOV (H x V)
WFOV (H x V)
NFOV Minimum
illumination
WFOV Minimum
illumination
Horizontal
resolution
Effective
picture
elements |
6 to 98 X
Min: 0.37˚ x
0.28˚ Max:
5.98˚ x
4.48˚
Min: 1.6˚ x
1.2˚ Max:
42˚ x 31.5˚
1.5 lux
(typical) at
F1.4
2 lux
(typical) at
F1.6
PAL: 460 TV
lines NTSC:
470 TV lines
PAL: 752 x
582 px NTSC:
468 x 494 px |
|
影像
(VIDEO) |
|
Format |
PAL or NTSC |
|
環境
(ENVIRONMENTAL) |
|
IP rating
Operating
temperature
Storage
temperature |
IP-66
-31°C to
55°C
-20°C to
63°C |
|
物理和電氣
(PHYSICAL
AND
ELECTRICAL ) |
|
Weight
Dimensions
(L x W x H)
Power supply
Power
consumption
(without the
Pan & Tilt)
Power
consumption
(with the
Pan & Tilt
and heater) |
< 23.7 kg
58.5 x 35 x
24 cm
100 - 240
VAC, 47 to
63 Hz
< 165 W
typical
< 350 W
typical |
|
選項 (OPTIONS) |
|
Console/Display
terminal
Thermal
imager
Pan & Tilt
with
joystick
Electronic
image
stabilizer |
Touchscreen
19”, 1280 x
1024 px
Uncooled
microbolometer
FOV: 10.4° x
8.3°
Azimuth
range
continuous
360°, tilt
+/- 25°
0.5 to 25 Hz |
|
(1)Compared
to a SLR 35
mm camera
with a 50 mm
focal length
lens . |
|
|
|
|
夜間性能 ( NIGHT-TIME
PERFORMANCES )
 |
|
|
|
醒目的視頻圖像 ( STRIKING
VIDEO IMAGES )
 |
|
 |
|
|
|
|
PIC-75 強化CCD相機(PIC-75
INTENSIFIED CCD CAMERA) |
 |
|
|
為密實輕便的夜視相機,PIC-75
可以在大範圍之波長將低光度放大,因此可以在全黑環境中展現比較清楚的景象。
此核心模組包含結合至 CCD
感應器之高執行力影像增強器,並包含有效快速選通(efficient
fast gating)所需之高壓電源供應。
影像增強器為一個MCP(Micro
Channel Plate)之光電組件(electro-optical
component),MCP可通電將對焦於光陰極(photocathode)的影像放大,增強後影像即可用光纖束聯接器
(fiber
optic bundle coupling)從增強器磷光體(intensifier
phosphor)螢幕傳送至CCD感應器。
PIC-75
相機可以在連續模式(continuous
mode) 或高頻選通(gated at
high frequencies)操作。
對距離選通相機(range-gated
camera)之應用,PIC-75
相機提供選通頻率達75
KHz 值得考慮。
應用範圍 :
|
 |
|
Obzerv
PIC-75 INTENSIFIED
CCD CAMERA is a
compact and
lightweight night
vision camera core.
The PIC-75 will
amplify low light in
a wide range of
wavelength hence
revealing more
details of the scene
of interest in total
darkness. This core
module is composed
of a high
performance image
intensifier coupled
to a CCD sensor. It
includes all the
high voltage power
supplies required
for efficient fast
gating. The image
intensifier is an
electro-optical
component based on a
Micro Channel Plate
(MCP). The MCP
amplifies
electronically an
image focused onto a
photocathode. The
intensified image is
then transmitted
from the intensifier
phosphor screen to a
CCD sensor by means
of a proprietary
fiber optic bundle
coupling. The camera
can be operated in
continuous mode or
gated at high
frequencies. For
range-gated camera
applications, the
PIC-75 offers
considerable
capabilities with a
gating frequency up
to 75 kHz.
Unlike Electron
Multiplying CCD
cameras (EMCCD), the
PIC-75 does not
require cooling of
its CCD sensor, thus
avoiding
condensation
problems. The PIC-75
camera can be
configured in
progressive scan
mode providing
better image quality
without any frame to
frame artifacts for
highly dynamic
scenes. With a
physical size of 124
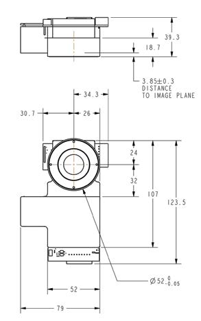
mm x 79 mm x 39 mm
and weighting only
320 g, this Passive
ICCD Camera is one
of the smallest and
lightest integrated
core module on the
market.
This core module can
be used in a wide
variety of
applications, but if
you are looking for
a product that
matches the
stringent
requirements of
tactical situational
awareness, Obzerv
Passive Intensified
CCD - PIC-75 is
exactly what you
need. |
|
應用
|
|
特點 |
優點 |
|
Miniature
and
lightweight |
-
Versatile,
to be fitted
with
different
enclosures
- Perfect to
be fitted in
handheld
cameras
(e.g.:
military
cameras) |
|
High
speed
optical
shutter,
with full
manual
control |
-
Capability
to produce
real time
range-gated
imagery |
|
No
distortion |
-
Great and
complete
image
quality
(periphery
included) |
|
High
resolution |
-
Crystal
clear and
sharp images
- No chicken
wire visual
effect |
|
Easy
to set-up
and operate |
-
No need for
external
high voltage
power
supplies
- Plug and
Go design
- Simple
communication
interfaces
(RS-232 &
TTL) |
|
EMI
shielded |
-
Not affected
by
electromagnetic
radiations
- Does not
emit
radiations |
|
Non
ITAR product |
-
The PIC-75
is not
controlled
under the
International
Traffic in
Arms
Regulations.
An export
license is
although
required
from the
Canadian
Department
of Foreign
Affairs and
and
International
Trade (DFAIT). |
|
| |
|
一般數據
( General
Data ) |
 |
|
Active Image
Area
Resolution1
Power
Temperature
range
Operating
Stockage
Weight |
6.53 mm x
4.89 mm
(8.16 mm
Diagonal)
41 lp/mm
(min)
5 VDC, 650
mA
12 VDC, 50
mA
-10˚C to
50˚C
-20˚C to
60˚C
320 g |
|
增壓器參數
(Intensifier
Parameters ) |

|
|
Type
Photocathode
Luminous
Sensitivity
Photocathode
Sensitivity
Luminous
gain @
2856˚K
Resolution
Phosphor
Signal-to-noise
Ratio (SNR) |
Second
Generation
Multialkali
800 uA/lm @
2850 K
(typical)
70 mA/W @
800 nm
(typical)
10000 (cd/m2)/lx
(min)
70 lp/mm
P20
Min: 23,
Typical: 25 |
|
CCD 攝像機參數 (
CCD Camera
Parameters ) |
|
CCD type
Video
standard
Sync
Video gain
Gamma:
Video out
Control |
Sony ICX-414
½-inch CCD
EIA or CCIR
Progressive
scan 30 or
25 FPS
Progressive
scan 60 or
50 FPS
Internal
H-Drive
output (TTL)
V-Drive
output (TTL)
6 dB to 40
dB
1
1V p-p into
75 Ω
RS-232, TTL
Level |
|
閘控介面 (
Gating
Interface ) |
|
Gate mode
Input
Threshold
Input
impedance
Logic level
Min. Gate
Width
Gating
Frequency
Gain control |
External
3.5 V
100 Ω
High = gate
on
Low = gate
off
40 ns
DC to 75 kHz
analog (0 –
2.5 V input) |
|
1Measured
visually in
the center
of the focal
plane using
a black and
white CRT
video
display
having a
horizontal
resolution
of 900 |
|
|
 |
|
|
|
|